Escalier en béton bricolage
Un escalier est une structure architecturale complexe, dont la liste des exigences comprend la fiabilité, la sécurité, l’esthétique et le confort. Les propriétaires des maisons souhaiteraient qu’elle soit utilisée le plus longtemps possible et ne nécessite pas de réparations sans fin. Par conséquent, parmi d’autres matériaux utilisés dans la fabrication des escaliers, on utilise le plus souvent de la pierre artificielle - le béton. En termes de paramètres de résistance, d’expressivité artistique et de longévité opérationnelle, il n’a pas encore de rivaux pour lui, et l’escalier en béton le plus simple est construit de ses propres mains sans aucun problème.
Contenu
- Pourquoi les escaliers en béton sont meilleurs?
- Choisir la conception optimale
- Faire un plan pour les travaux futurs
- Tailles standard
- Base pour la construction
Pourquoi les escaliers en béton sont meilleurs?
Le matériau utilisé dans la fabrication tolère parfaitement toutes les difficultés d’un fonctionnement intensif, les escaliers en béton dans les maisons privées sont disposés à l’extérieur et à l’intérieur.

Le béton est un matériau prioritaire pour la construction des escaliers, les escaliers en béton tolèrent parfaitement toute la gamme des influences négatives externes et un fonctionnement intensif
Ils sont considérés comme la meilleure option pour la construction d’un groupe d’entrée central et pour assurer le mouvement vers le sous-sol ou le grenier, sont utilisés dans la conception du paysage. Outre:
- la conception monolithique ne comporte pas d’éléments tremblants dus au chargement dynamique;
- les utilisateurs ne sont pas menacés de grincements négatifs, même si les escaliers en béton ont été finis avec du bois;
- la réalisation de toutes les idées des architectes est possible de la marche élémentaire, des structures de vis plus complexes aux configurations composites complexes;
- risque d’incendie minimal;
- beaucoup d’options pour le revêtement, la compatibilité et la compatibilité avec tous les matériaux de finition et de construction.
La construction peut être entièrement monolithique ou solide ne peut être que des brochettes sur lesquelles des marches en béton pour escaliers sans contremarches sont hissées après solidification de ces éléments de charpente. Dans le deuxième cas, le design est plus léger, tant au niveau technique que décoratif, mais son installation au-dessus de la zone de loisirs n’est pas souhaitable en raison de la présence de lacunes.

Seules les brochettes destinées à l’installation des marches sur celles-ci peuvent être coulées en béton, de sorte que le design est plus léger, plus élégant
Il y a aussi une nuance technique: le béton escalier menant au deuxième étage, au sous-sol, au grenier, sur la véranda ne peut être faite que sur place. Les travaux sont effectués pendant le processus de construction et, contrairement aux homologues en bois, ils ne peuvent pas être installés après l’achèvement de la décoration intérieure.
Choisir la conception optimale
L’ensemble du processus de construction d’un escalier en béton est divisé en trois étapes, à savoir:
- assemblage de coffrage - travaux standard pour la création de structures en béton et en béton armé;
- installation et tricotage d’accessoires;
- couler directement des escaliers en béton.

La construction d’un escalier en colimaçon monolithique est mieux confiée aux constructeurs professionnels
L’étape la plus difficile et la plus longue est l’assemblage du coffrage. S’il est prévu de construire une configuration fleurie, il faudra sans aucun doute la confier à des professionnels. Un coffrage pour des escaliers de géométrie non standard sans expérience significative en la matière est impossible à réaliser.

Escalier en béton coulé: le coffrage de la structure à vis est assemblé à partir d’éléments en contreplaqué ou d’une planche à bords étroits, la pose de nombreux supports de la poutre est obligatoire
Le moyen le plus simple consiste à remplir un escalier à volée simple, en le plaçant entre deux murs. Ensuite, les éléments latéraux du coffrage ne sont pas nécessaires, il suffit de dessiner un contour sur les murs. La conception d’un escalier élémentaire à vol simple peut être variée avec une forme ronde intéressante de la marche inférieure.
Plus difficile à mettre en œuvre sera une version à marche unique avec un seul côté reposant sur le mur, car il sera nécessaire de réaliser l’élément d’extrémité du coffrage et d’installer des supports pour le soutenir. Il sera beaucoup plus difficile de remplir la structure avec deux côtés non adjacents aux murs, de construire une version à deux marches avec des marches de descente ou avec un palier. Cependant, en général, une géométrie simple peut être facilement durcie si vous le souhaitez, et la finition originale des escaliers en béton avec des pièces en céramique, en bois, nickelées et forgées le rendra unique.

Pour remplir l’escalier à deux volées, l’installation des éléments d’extrémité du coffrage sera nécessaire
Faire un plan pour les travaux futurs
Comme toute construction architecturale et fonctionnelle, un escalier nécessite une conception et des calculs préliminaires. Un projet simple doit être réalisé au moins sous forme de croquis, dessiné à la main.
Tailles standard
Si vous voulez savoir comment faire un escalier en béton, vous devez savoir que:
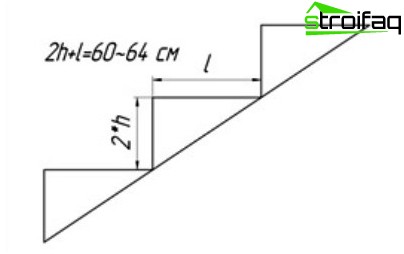
- la largeur dictée par DIN 18065 et SNiP domestique doit être de 0,8-0,9 m;
- hauteur de marche standard 17 cm;
- la hauteur de la structure doit tenir compte de la puissance de l’étage supérieur, y compris la hauteur du gâteau de revêtement de sol;
- largeur de marche offrant une marche confortable, 29-30 cm;
- 30? Est considéré comme un angle commode pour l’inclinaison, mais si nécessaire, réduisez la zone de la structure, l’angle peut atteindre 45?.

L’angle d’inclinaison optimal de l’escalier est de 30 degrés, avec une augmentation de sa taille, la zone de la structure est réduite, en même temps, le risque de blessures augmente et les paramètres de mouvement confortable diminuent
Un escalier trop raide augmentera la probabilité de blessures. Limite technologique de 45? également indésirable en raison de l’inconvénient de se déplacer. Si vous souhaitez réduire la surface dans le plan, il est préférable de préférer la fabrication d’escaliers en béton avec deux ou plusieurs travées ou d’installer une structure à vis.
Important. Le projet doit tenir compte de la présence de clôtures, l’installation de pièces encastrées doit être prévue dans la conception.

Calcul de la largeur et de la hauteur des marches pour le coulage ultérieur d’un escalier en béton de vos propres mains
Base pour la construction
Selon la complexité, la largeur et la portée, le poids des escaliers en béton sera de 1,5 à 2,5 tonnes. Par conséquent, avant l’érection, il est nécessaire de réfléchir aux problèmes du dispositif de fondation, dont la version la plus courante est les poutres et les fondations en béton armé. Si la chape au sol sert de base, le sol en dessous doit être compacté et calculé de sorte que le poids de la structure monolithique n’appuie pas dessus avec une force supérieure à 1 kg / cm? Il convient de rappeler que la décoration des marches d’un escalier en béton, par exemple en pierre naturelle, augmentera considérablement son poids. Si la charge dépasse la valeur autorisée, il est préférable de gainer le bois.
Important. Il n’est pas recommandé de soutenir un escalier monolithique en béton sur une chape avec une isolation thermique en polystyrène. La section sous l’escalier devra être démontée, puis remplissez une fondation spéciale.
Construction progressive d’escaliers en béton
Au stade initial de l’assemblage du coffrage, les éléments suivants sont utilisés:
- contreplaqué imperméable (18-20 mm dans une section) et / ou panneau bordé (3 cm);
- bois de construction d’une section allant jusqu’à 10 × 10 cm pour les rayonnages et les supports;
- pour former des surfaces courbes contreplaqué jusqu’à 9 mm ou panneau à bords étroits.

Composants structurels du coffrage pour la marche des escaliers monolithiques
Il ne devrait pas y avoir de lacunes ou de lacunes dans le coffrage. Les connexions sont faites à l’aide de vis phosphatées, vous pouvez installer des coins en acier aux extrémités. Après durcissement du béton, tous les éléments de coffrage peuvent être retirés sans problème..

Si un escalier en béton est coulé avec une largeur dépassant les dimensions standard, le coffrage est divisé en segments distinctifs
Dans le coffrage fini le long de la marche, des barres d’acier sont posées et reliées par des barres d’armature avec des traverses transversales. Ensuite, des chevilles en bois sont installées sous les pièces encastrées destinées à l’installation de la clôture. Ensuite, versez du béton dont la marque ne doit pas avoir une résistance inférieure à B-15. Vous devez remplir toute la marche, à partir du niveau le plus bas.

L’escalier en béton commence à être coulé à partir de la marche inférieure; en une seule étape, il est nécessaire de remplir toute la marche
Comment puis-je finir un escalier en béton?
Afin de réduire la charge sur la base, le revêtement d’un escalier en béton avec du bois est souvent préféré. Les marches, les balustrades et les mains courantes peuvent être en bois. Détails de clôture nickelés, treillis forgés, décor spécifique sur les poteaux de support appropriés.

Escalier en béton dans une maison privée: une tresse en spirale est en béton, les marches sont recouvertes de bois, les mains courantes et les balustres sont en bois
Le béton s’harmonise miraculeusement avec n’importe quel matériau, donc, en termes de finition, il n’y a pratiquement aucune restriction.

Escalier en béton dans une maison privée: marches en grès cérame, en parfaite harmonie avec le matériau principal d’un design monolithique
Tous les éléments peuvent être entièrement revêtus de bois ou carrelés avec des contremarches ou ne couvrir que partiellement la partie supérieure.

Variante de finition de l’escalier monolithique avec du bois: les marches et contremarches sont entièrement gainées, tous les détails de la clôture sont en bois
Une variété d’effets spéciaux sont acceptables, par exemple, l’appareil d’éclairage d’origine LED, l’utilisation de plastique et de verre. De plus, le revêtement de l’escalier en béton avec du bois peut être parfaitement combiné avec l’une des options proposées..
Bien sûr, la production d’une structure en béton monolithique doit commencer, soigneusement préparée pour les travaux. Pour les débutants dans le domaine de la construction, vous devez d’abord découvrir toutes les nuances du design et tout calculer correctement. Après vous être familiarisé avec les règles technologiques, la coulée et la finition d’un escalier en béton ne seront pas intimidantes par une complexité excessive, mais elles nécessiteront scrupuleusement et précision. Les artistes qui ne sont pas trop confiants dans leurs capacités peuvent être préalablement formés sur l’appareil des escaliers sur le site. Cette expérience précieuse les aidera sûrement à l’avenir..
