Détecteurs de mouvement pour l’éclairage
Aujourd’hui, l’utilisation de technologies économes en énergie pour leurs propres besoins devient de plus en plus pertinente. Pour réduire considérablement les coûts énergétiques, les gens utilisent des appareils spéciaux appelés capteurs de mouvement pour l’éclairage. Et comment faire le bon choix? Et quel est le but, le principe de fonctionnement de ces produits? Nous traiterons cela plus en détail..
Contenu
- Choisir un appareil utile
- Principe fonctionnel, fonctionnel
- Outils de fonctionnalités et de personnalisation
- Avantages des détecteurs de mouvement
- Classification, domaine d’utilisation
- Installation de détecteurs de mouvement
Choisir un appareil utile
Pour ceux qui veulent utiliser rationnellement les ressources, les détecteurs de mouvement sont des attributs pratiquement nécessaires de la vie quotidienne, car lorsqu’ils sont utilisés, environ 50 à 80% de l’électricité consommée est économisée.
Les détecteurs de mouvement sont appropriés partout, dans les couloirs, dans les garde-manger et dans les escaliers - où une personne reste pendant une courte période, ou, par exemple, si ses mains sont occupées. Lorsqu’un objet apparaît dans la zone de couverture, la lumière s’allume automatiquement.S’il n’y a pas de mouvement pendant une durée spécifiée, la lumière s’éteint. Il est également possible de régler le mode de signal court, qui est utilisé pour allumer l’appareil acoustique qui contrôle la porte (sonnette, sonnette). Cette solution simple permettra d’économiser de l’énergie, d’augmenter le confort et d’assurer la sécurité du domicile..

Détecteur de mouvement pour l’éclairage public
Étant donné que l’avantage est évident, de nombreuses personnes souhaitent acheter des détecteurs de mouvement pour l’éclairage, ils ne savent tout simplement pas quels paramètres utiliser lors du choix. Il y a quelque chose à méditer ici:
- où exactement l’appareil sera utilisé - il peut s’agir d’une rue, d’un auvent ouvert, d’un espace clos: un choix par la méthode de fixation, par le degré de protection, encastré ou monté;
- puissance des équipements commutés. Ce paramètre implique l’image de l’installation du capteur - pour une lampe fluorescente, pour un thermos, une chambre de réfrigération. Il existe des modèles avec différentes capacités - 200 V et plus, en fonction de ces indicateurs, les conditions d’installation et les dimensions globales changent;
- configuration de la zone de réponse - à ce stade, il est important de prendre en compte le fait que le capteur de mouvement surveille uniquement (l’accent principal!) la zone visible. Même les constructions légères réduisent la portée, par exemple une corniche, une applique, une suspension;
Important: vous devez vous rappeler - le verre est un obstacle au passage des rayons infrarouges, respectivement, la zone contrôlée est réduite.
- la possibilité d’affiner le temps de réponse marche / arrêt. Cette fonction est plus pertinente pour les grandes pièces où plusieurs capteurs sont installés sur une grande surface, mais ils ne la couvrent pas complètement. Il s’avère que dans de telles conditions, les actions d’une personne sont très importantes - elle doit avoir le temps de se rendre au capteur suivant ou avoir le temps d’effectuer certains travaux, en retournant dans la zone d’action;
- angle de perception du capteur - les produits sont disponibles avec un angle de vision de 180 à 360 degrés. Par exemple, les capteurs avec un angle de perception de 180 degrés sont dans la plupart des cas destinés à une réaction entrée-sortie, montés sur un mur. Si l’installation est effectuée au plafond, cela signifie que l’appareil a un angle de vue complet;
- la formule des ratios des zones actives et passives est un paramètre pertinent pour les bureaux, salons. L’enregistrement des personnes présentes est plus rapide si l’alternance des zones est plus importante.
Important: certains modèles sont adaptés à la respiration humaine.
Principe fonctionnel, fonctionnel
Détecteurs de mouvement pour l’éclairage - un produit populaire et pratique qui résout divers problèmes. Cet appareil fonctionne grâce au rayonnement infrarouge: un signal programmé pénètre dans la matrice capturée.
Souvent, les capteurs fonctionnent avec des appareils électriques, et ils peuvent également être les principaux du système d’alarme et de la vidéosurveillance. C’est-à-dire que les détecteurs de mouvement sont utilisés pour allumer la lumière sans danger dans la zone de passage, pour assurer la sécurité du boîtier.

Détecteur de mouvement pour l’éclairage - pratique et fonctionnel
Le capteur détecte automatiquement le mouvement, ferme le circuit et allume la lumière. Le principe de fonctionnement principal est la surveillance continue dans la zone d’observation: lorsqu’un objet en mouvement apparaît, le champ thermique change, il est supérieur à la température ambiante.
À l’aide d’un objectif spécial appelé objectif Frankel, un signal est appliqué à la cellule photoélectrique, ce qui provoque la fermeture d’un circuit. Dans la zone de contrôle, le capteur est déclenché même avec des mouvements mineurs, par exemple, si une personne assise se balance.
Important: les détecteurs de mouvement sont configurés de manière unique - ils ne répondent pas aux animaux, mais ils se sentent bien avec les gros objets: voiture, personne.
L’achat d’un tel appareil n’affectera pas beaucoup le budget et son utilisation apportera une commodité tangible: une personne entre dans la pièce, le capteur allume la lumière, s’éteint - la lumière s’éteint automatiquement (après un certain temps). Dans ce cas, vous n’avez pas besoin de rechercher l’interrupteur et de vous rappeler si j’ai oublié d’éteindre la lumière, par exemple dans le garde-manger.
Outils de fonctionnalités et de personnalisation
Les capteurs de mouvement du potentiomètre sont configurés, il y en a trois:
- intervalle de temps - définit la période pendant laquelle le capteur fonctionnera. Les valeurs sont définies entre 5 secondes et 10 minutes (selon le modèle). C’est le plus simple de tous les paramètres - vous devez évaluer la fréquence à laquelle une personne apparaît dans la zone de détection et régler le délai pour éteindre les lumières un peu plus que cette valeur (1-2 minutes). Ceci est fait pour éviter un allumage / extinction constant;
- sensibilité - plus elle est élevée, meilleure est la réponse de l’appareil aux mouvements. S’il y a beaucoup de réponses, il est souhaitable de réduire la sensibilité, il en va de même pour la commutation spontanée. Fondamentalement, ce paramètre est configuré 3 fois. Il est également nécessaire de reconfigurer la sensibilité en fonction de la période de l’année, par exemple, en été, le capteur fonctionne correctement et en hiver, des pannes se produisent. Cela est dû à la réaction de l’air chaud provenant du réchauffeur;
- Niveau d’éclairage - pour le bon fonctionnement de l’appareil pendant les heures de clarté. Lorsqu’un mouvement se produit, le capteur détermine le niveau d’éclairement, s’il est inférieur au seuil, l’appareil fonctionne, s’il est supérieur, il ne fonctionne pas. Oui, c’est tout à fait logique, pourquoi dans l’après-midi allumer la lumière électrique dans la pièce.
Avantages des détecteurs de mouvement
- compacité - installé silencieusement, absolument sans endommager l’intérieur;
- les économies sont évidentes, car l’éclairage n’est allumé qu’en cas de besoin;
- commodité pour les propriétaires de maisons privées - des capteurs sont installés sur le porche, dans les escaliers, dans les sous-sols et les garde-manger: se déplacer dans la maison devient très pratique;
- une sorte de signalisation de voleurs - si des intrus pénètrent dans la maison, la lumière s’allume, annonçant que des étrangers sont dans la maison.
Classification, domaine d’utilisation
En fait, au départ, les détecteurs de mouvement étaient destinés à fonctionner dans un système d’alarme de sécurité: ils transmettaient une alarme au panneau de commande. Les fabricants sont allés plus loin en développant des modèles comprenant des projecteurs, l’éclairage public, des sirènes et des équipements électriques.

L’utilisation de détecteurs de mouvement dans la cour garantira la sécurité des mouvements dans l’obscurité
Les détecteurs de mouvement sont divisés en plafond et en mur. Le principe de leur travail est le même, ils sont simplement sélectionnés individuellement, en fonction du lieu d’installation. De plus, à l’heure actuelle, les poteaux d’éclairage public avec capteurs jouent un rôle important dans l’aménagement paysager..
Les gens comprennent que vous devez vous efforcer d’économiser de l’argent, ils utilisent donc largement des détecteurs de mouvement pour l’éclairage public. Ils doivent répondre aux exigences et remplir un certain nombre de fonctions:
- éclairage de sécurité des parcelles (chalet, jardin);
- éclairage esthétique des maisons, des parcs;
- éclairage du mouvement des personnes marchant le long de la rue.
Les détecteurs de mouvement installés sur les supports diffèrent des modèles domestiques - ils se caractérisent par un grand angle de couverture. Portée d’action - 12 mètres.

L’éclairage public est une solution économique et pratique: le capteur transmet un signal au système d’éclairage uniquement lorsqu’une personne s’approche
Les détecteurs de mouvement infrarouges sont actifs et passifs. La première option est utilisée pour protéger le périmètre de la maison, les clôtures et la seconde - dans les systèmes d’alarme pour protéger de larges secteurs, par exemple, l’approche de la porte, les barrières de sécurité.
Installation de détecteurs de mouvement
Le côté technique de l’installation des détecteurs de mouvement n’est pas trop compliqué. Mais s’il n’y a pas de confiance en soi, il vaut mieux confier ce processus à un professionnel. Le câble de cet appareil est connecté au câblage général de la maison via la boîte de jonction. De plus, des capteurs sont également installés qui répondent aux changements d’intensité d’éclairage, ils sont également appelés interrupteurs crépusculaires. Il s’agit de s’assurer que le capteur ne fonctionne que dans l’obscurité..
Il y a beaucoup de capteurs de mouvement, chacun accomplit une tâche spécifique: pour éclairer la piscine, démarrer la pompe de la fontaine. Lors de l’installation du capteur, la taille de la pièce, l’emplacement des fenêtres, des portes doivent être pris en compte, car ces indicateurs affectent le bon fonctionnement de l’appareil.
Important: le circuit du détecteur de mouvement pour l’éclairage est similaire au principe de fonctionnement d’un interrupteur conventionnel. Dans les deux cas, le circuit électrique auquel la lampe est connectée en série est fermé ou ouvert..
S’il est nécessaire que, malgré le manque de mouvement dans la pièce, la lampe fonctionne en permanence, un interrupteur est ajouté au circuit, qui est connecté en parallèle avec le capteur de mouvement. Dans ce cas, l’interrupteur reproduit le fonctionnement du capteur, ce qui signifie que vous pouvez forcer la lumière.

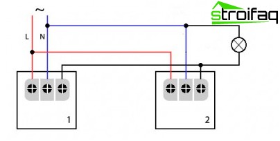
Connexion de capteurs de mouvement
Il est également possible qu’en raison des caractéristiques de la pièce, un capteur ne couvre pas toute la zone, puis le schéma de connexion pour deux capteurs de mouvement et une lampe est utilisé. Lorsqu’un capteur est déclenché, un circuit est fermé, une tension est appliquée aux contacts.
La puissance nominale des capteurs de mouvement considérés est de 500 à 700 W, ce qui limite leur utilisation pour les charges lourdes.
Important: dans certains cas, vous devez connecter plusieurs ampoules puissantes à la fois (allumer la cour), alors il est préférable d’utiliser un démarreur magnétique.
Les détecteurs de mouvement pour l’éclairage sont aujourd’hui très largement utilisés. Il peut s’agir d’hôtels, de bureaux et de bâtiments administratifs, d’établissements d’enseignement, de gymnases, de parkings, d’entreprises commerciales.
La pertinence d’utiliser des capteurs de mouvement est étayée par des arguments en faveur des économies d’énergie, ainsi que de la commodité et de la praticité. La période de récupération dépend des puissances totales des lampes connectées. Mais une chose est sûre, pour les capteurs de mauvaise qualité qui se cassent immédiatement après l’installation, ils s’éloigneront constamment. Autrement dit, il vaut mieux payer trop cher et obtenir un excellent appareil que d’acheter un produit de mauvaise qualité.
